Arbor Press
- Zackary Roth
- Aug 6, 2020
- 1 min read
This was my first project in my Mechanical Drawings class at Purdue University my sophomore year. My peers and I all recreated an arbor press based on non ANSI standard mechanical drawings in our textbook and we were later given the task of a engineering change over of the same arbor press.

Assembly drawing
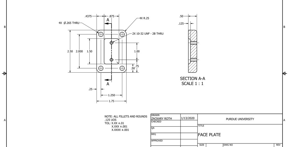
Individually Created Part Drawings (with exception of parts from Mcmaster-Carr)
Engineer Change Order

This is the change order given to me by the professor.

This is the updated Arbor Press Assembly drawing.
These are the updated mechanical drawings that required revision.
This project taught me the proper documentation techniques for an E.C.O., how to read/recreate parts from mechanical drawings, and this project taught me some useful tricks when it comes to modeling in AutoDesk Inventor.
All work was done on Inventor (35 Hours)


































Comments